Marine Jis Cable Glands
| Size | 10 mm to 90 mm |
| Application | Outdoor or Indoor for use with all types of braided or unarmoured Marine electrical cable fittings |
| Ingress Protection | IP54 IP66 |
| Optional Threads | ISO Metric, NPT, NPS, BSP, BSPT, PG |
| Finish | Chrome Finish, Brass Finish, Nickel Finish or as specified |
| Material | Brass BS 2874 CZ121 Pb3 |
| Sizes | Metric from 10 mm to 60 mm in JIS, PG 7 to PG 48 in DIN from M 16 to M 90 in BS |
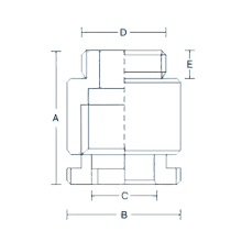
| TECHNICAL DATA | |||||||||
|---|---|---|---|---|---|---|---|---|---|
| SIZE | A | B | C | D | E | F | G | H | I |
| 10 | 45.00 | 21.50 | 10.00 | 3/8" BSP | 11.00 | 5.00 | 28.00 | 22.00 | 4.00 |
| 15 | 50.00 | 27.50 | 15.00 | 1/2" BSP | 11.00 | 5.00 | 31.20 | 26.20 | 4.00 |
| 20 | 53.00 | 33.50 | 20.00 | 3/4" BSP | 10.00 | 5.00 | 37.00 | 32.00 | 6.00 |
| 25 | 60.00 | 41.50 | 25.00 | 1" BSP | 11.00 | 6.00 | 46.00 | 40.00 | 6.00 |
| 30 | 65.00 | 49.50 | 30.00 | 1.1/4" BSP | 12.00 | 6.00 | 56.00 | 48.00 | 8.00 |
| 35 | 70.00 | 55.50 | 40.00 | 1.1/2" BSP | 12.00 | 6.00 | 63.000 | 55.00 | 8.00 |
| 40 | 70.00 | 55.50 | 40.00 | 1.1/2" BSP | 12.00 | 6.00 | 63.00 | 55.00 | 8.00 |
| 45 | 85.00 | 69.50 | 50.00 | 2" BSP | 12.00 | 6.00 | 76.00 | 67.00 | 10.00 |
| 50 | 85.00 | 69.50 | 50.00 | 2" BSP | 12.00 | 6.00 | 76.00 | 67.00 | 10.00 |
| 55 | 87.00 | 85.50 | 60.00 | 2.1/2" BSP | 12.00 | 6.00 | 95.00 | 86.00 | 10.00 |
| 60 | 88.00 | 85.50 | 60.00 | 2.1/2" BSP | 12.00 | 6.00 | 95.00 | 86.00 | 10.00 |
| 65 | 100.00 | 99.50 | 70.00 | 3" BSP | 14.00 | 6.00 | 112.00 | 100.00 | 12.00 |
| 70 | 110.00 | 99.50 | 70.00 | 3" BSP | 14.00 | 6.00 | 112.00 | 100.00 | 12.00 |



